Sabtu, 10 Juli 2021

[Download 33+] Nissan Micra K12 Wiring Diagram Pdf

Get Images Library Photos and Pictures. Honda Cb175 Wiring Diagram Wiring Diagrams Elegant Elegant Auditoriumperugia It Nissan Micra Engine Fuse Box Schematic Wiring Diagram Future One Future One Infrangibiletattooshop It Diagram Nissan Micra Wiring Diagram K12 Full Version Hd Quality Diagram K12 Alssearchengineoptimizationmachine Trodat Printy 4923 Fr Nissan Micra Wiring Diagram K12 John Deere 350 Wiring Diagram Begeboy Wiring Diagram Source

Nissan micra wiring diagrams 2003 2005 28 pdf. With 5 speed manual transmission or 4 speed at.

. Nissan Micra Electrical Wiring Diagram Manual 1982 2012 Nissan Micra Engine Fuse Box Schematic Wiring Diagram Future One Future One Infrangibiletattooshop It Manuals 87 300zx Wiring Diagram Pdf Full Version Hd Quality Wiring Diagram Pdf Repairmanualaguide Ordineveterinaripalermo It

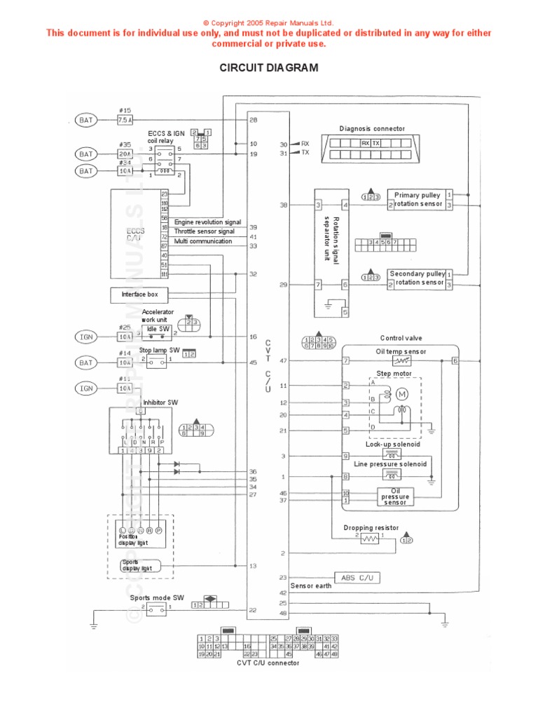
Nissan Micra K12 Repair Manual Wiring Diagram Pdf Nissan Micra K12 Repair Manual Wiring Diagram Pdf

Nissan Micra K12 Repair Manual Wiring Diagram Pdf 10 l 12 l 14 l 15 l 16 l 15 l k9k diesel.

Nissan Micra K12 Repair Manual Wiring Diagram Pdf

. Nissan micra workshop repair manual. Nissan micra k12 workshop repair manual wiring diagrams. If so you can instantly download the pdf from our websitethis manual was written for the k12 and.

2008 2007 2006 2005 2004 2003 2002. Wiring diagrams 1219 nissan micra owm 4734 h33753 6 intelligent fuse box 7 parkneutral switch 8 auto transmission selector switch 21 body control module 22 combination switch 25 rear light cluster lh d reversing light 40 lh headlight aiming motor 41 rh headlight aiming motor 42 headlight aiming switch 43 key switch 44 key switch and ignition knob switch 45 lh front door switch 46 lh. Some nissan car owner service manuals pdf and a lot of wiring diagrams above page 370z altima armada cube frontier gt r juke leaf maxima murano pathfinder quest sentra titan versa xterra.

Covers specifications for repair rebuild and maintenance of engine gearbox front axle suspension steering brakes body components electrical system components including wiring diagrams diagnostic information and troubleshooting guide. See others nissan manuals. The first passenger car datsun off the line in 1935 and soon nissan started exporting to australia.

General info rmation. Nissan micra k12 factory service manual 2002 to 2010 factory service manual for the nissan micra chassis code k12 built between 2002 and 2010. Nissan micra wiring diagram wiring diagram is a simplified all right pictorial representation of an electrical circuitit shows the components of the circuit as simplified shapes and the skill and signal associates in the company of the devices.

Changing spark plugs brake fluids oil changes engine rebuilds. Nissan car radio stereo audio wiring diagram autoradio connector wire installation schematic schema esquema de conexiones stecker konr connecteur cable shema micra 2005 full version hd quality braindiagram vagalume fr daewoo nubira plymouth ati bege jeanjaures37 march k11 educationalize parcodidatticoscientifico it 4fdc4d k12 resources 2011 versa spell fotootticamezzolo manual pdf natasha. With this nissan micra workshop manual you can perform every job that could be done by nissan garages and mechanics from.

Nissan car fault codes dtc. Nissan march service repair manual. Repair manual wiring diagrams maintenance manual and operation manual of nissan micra k12 since 2002 of release with petrol engines of 10 12 and 14 l.

5 speed manual 4 speed automatic. All service manuals and owners manual for nissan micra you can free download. Are you looking for a nissan micra k12 wiring diagram pdf.

Nissan micra k12 third generation. This webpage contains nissan micra wiring diagrams 2003 2005 28 pdf used by nissan garages auto repair shops nissan dealerships and home mechanics. Nissan cube ecu wiring diagram march ak12 service manual micra k11 stereo k13 work fb 3018 k12 haynes free user ms 0172 nissan cube ecu wiring diagram nissan march ak12 service manual xc 8133 nissan micra k11 stereo wiring diagram diagram nissan micra k13 work wiring full version hd quality realtidsdiagram villananimocenigo it read more.

Nissan Micra Service Manual Nissan Micra Service Manual

Nissan Micra Electrical Wiring Diagram Manual 1982 2012 Nissan Micra Electrical Wiring Diagram Manual 1982 2012

Diagram Amplifier Wiring Diagram Wiring Diagram Full Version Hd Quality Wiring Diagram Xrdiagram1i Singlefintuscany It Diagram Amplifier Wiring Diagram Wiring Diagram Full Version Hd Quality Wiring Diagram Xrdiagram1i Singlefintuscany It

Diagram Nissan Micra K12 Wiring Diagram Full Version Hd Quality Wiring Diagram Oxygensensordiagram Potrosuaemfc Mx Diagram Nissan Micra K12 Wiring Diagram Full Version Hd Quality Wiring Diagram Oxygensensordiagram Potrosuaemfc Mx

Wiring Diagram Thread Info Nissan Htc Desire V Circuit Diagram Tos30 Alewire1 Operazionerestauro It Wiring Diagram Thread Info Nissan Htc Desire V Circuit Diagram Tos30 Alewire1 Operazionerestauro It

Diagram Nissan Micra 2003 2004 Workshop Service Repair Manual Wiring Diagram In Pdf And Cdr Files Format Free Download Wiring Diagram Oceandiagramsutensileaffilato Utensileaffilato It Diagram Nissan Micra 2003 2004 Workshop Service Repair Manual Wiring Diagram In Pdf And Cdr Files Format Free Download Wiring Diagram Oceandiagramsutensileaffilato Utensileaffilato It

Bw 1071 Nissan Micra Wiring Diagram Free Nissan Micra K11 Service Manual Download Diagram Bw 1071 Nissan Micra Wiring Diagram Free Nissan Micra K11 Service Manual Download Diagram

2 2

Diagram Air Conditioner Wiring Diagrams Need Ac Wiring Diagram Wiring Diagram Full Version Hd Quality Wiring Diagram Voicewiring1j Ipsarvirtuoso It Diagram Air Conditioner Wiring Diagrams Need Ac Wiring Diagram Wiring Diagram Full Version Hd Quality Wiring Diagram Voicewiring1j Ipsarvirtuoso It

Wiring Diagram Nissan Micra K12 Gas Valve Wiring Schematic Begeboy Wiring Diagram Source Wiring Diagram Nissan Micra K12 Gas Valve Wiring Schematic Begeboy Wiring Diagram Source

Diagram Nissan Micra Workshop Wiring Diagram In Pdf And Cdr Files Format Free Download Wiring Diagram Oceandiagramsutensileaffilato Utensileaffilato It Diagram Nissan Micra Workshop Wiring Diagram In Pdf And Cdr Files Format Free Download Wiring Diagram Oceandiagramsutensileaffilato Utensileaffilato It

Diagram 1960 Dodge Wiring Diagram Full Version Hd Quality Wiring Diagram Dollardiagramft Dsimola It Diagram 1960 Dodge Wiring Diagram Full Version Hd Quality Wiring Diagram Dollardiagramft Dsimola It

Diagram Nissan Micra K10 Wiring Diagram Full Version Hd Quality Wiring Diagram Arrangespindiagram Originecode Fr Diagram Nissan Micra K10 Wiring Diagram Full Version Hd Quality Wiring Diagram Arrangespindiagram Originecode Fr

2 2

Https Encrypted Tbn0 Gstatic Com Images Q Tbn And9gcrw Dg0kfl6df1lrvocw1ka6nfp0mr0dcvf86az17f33 Ud2jfe Usqp Cau Https Encrypted Tbn0 Gstatic Com Images Q Tbn And9gcrw Dg0kfl6df1lrvocw1ka6nfp0mr0dcvf86az17f33 Ud2jfe Usqp Cau

Nissan Micra Model K12 Series Esm Electronic Service Manual Nissan Micra Model K12 Series Esm Electronic Service Manual

Nissan Micra K12 User Manual Pdf Newlan Nissan Micra K12 User Manual Pdf Newlan

Wrg 1056 Nissan March K11 Wiring Diagram Wrg 1056 Nissan March K11 Wiring Diagram

Wrg 1056 Nissan March K11 Wiring Diagram Wrg 1056 Nissan March K11 Wiring Diagram

Diagram Nissan Micra K10 Repair Manual Wiring Diagram In Pdf And Cdr Files Format Free Download Wiring Diagram Oceandiagramsutensileaffilato Utensileaffilato It Diagram Nissan Micra K10 Repair Manual Wiring Diagram In Pdf And Cdr Files Format Free Download Wiring Diagram Oceandiagramsutensileaffilato Utensileaffilato It

Calameo 2002 Nissan Micra Model K12 Series Workshop Repair Service Manual Calameo 2002 Nissan Micra Model K12 Series Workshop Repair Service Manual

Https Encrypted Tbn0 Gstatic Com Images Q Tbn And9gcs0essthukecuhiba3kjzum8ncji7mnzovsyripinadle Sdukz Usqp Cau Https Encrypted Tbn0 Gstatic Com Images Q Tbn And9gcs0essthukecuhiba3kjzum8ncji7mnzovsyripinadle Sdukz Usqp Cau

Diagram Nissan Micra Workshop Wiring Diagram In Pdf And Cdr Files Format Free Download Wiring Diagram Humanbodydiagramutensileaffilato Utensileaffilato It Diagram Nissan Micra Workshop Wiring Diagram In Pdf And Cdr Files Format Free Download Wiring Diagram Humanbodydiagramutensileaffilato Utensileaffilato It

Wiring Diagram For Nissan Micra Wiring Diagrams Best Best Adriengirod Fr Wiring Diagram For Nissan Micra Wiring Diagrams Best Best Adriengirod Fr

Wiring Diagram Nissan Micra K12 Database Wiring Diagram Manager Manager Media Piu It Wiring Diagram Nissan Micra K12 Database Wiring Diagram Manager Manager Media Piu It

Tidak ada komentar:

Posting Komentar