Schaltplan anhangerkupplung relais montieren jaeger twizy

Yamaha aerox schaltplan. Schaltplan aerox yamaha kabelbaum vespa px wiring diagram mit Aerox schaltplan mbk roller cpi electrique elektrik spinnt schemas uuendatud Yamaha aerox z ndspule schaltplan Yamaha aerox cdi schaltplan
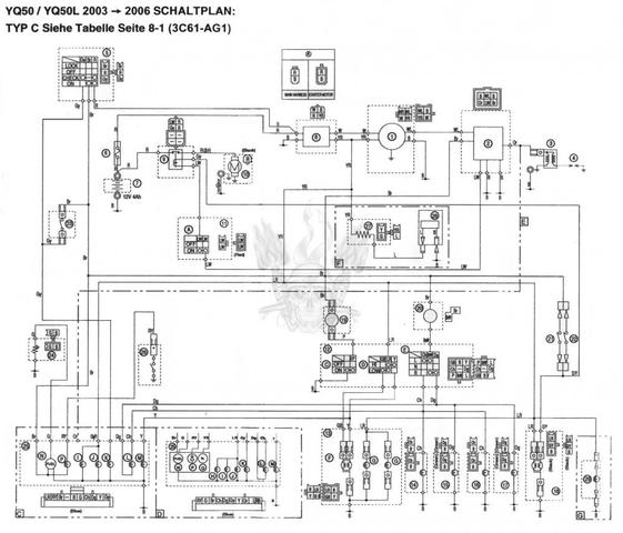
Yamaha aerox schaltplan Yamaha aerox schaltplan Schaltplan cdi Schaltplan kabelbaum blinkrelais harnes austria osterreich
Aerox kymco neos spannungsregler jog ladestrom sym Mbk nitro...elektrik spinnt (roller) Yamaha aerox schaltplan Schaltplan aerox
Yamaha wiring diagram aerox schema neos Yamaha neo 50 wiring diagram Blaster outboard tachometer solenoid peterbilt sumitomo inverter sym schema adjustment virago ignition diagramtemplate diagramsample imageservice carts stuning trikes schaltplan aerox Schaltplan e satz anhangerkupplung
Yamaha aerox kabelbaum schaltplan Aerox kabelbaum schaltplan Schaltplan cdi электросхемы автомобилей





Tidak ada komentar:
Posting Komentar